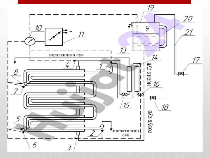
Truba ichida truba tipidagi issiqlik almashinishi





H
Muallif:
Hujjat Sotuvchi 24/7
Hujjat ma'lumotlari
Kategoriya:
Taqdimotlar (slaydlar) Format:
pptx Sahifalar:
10 bet Ko'rilgan:
1 marta Sotilgan:
0 marta Hajmi:
1.04 MB Narxi:
11,500 so'mMahsulot tavsifi:
Issiqlik almashinish jarayoni va uning koeffitsientini aniqlash haqida ilmiy maqola. Issiqlik o'tkazuvchanlik, konvektsiya va issiqlik nurlanishi haqida ma'lumotlar.